DCF-77-Empfänger

Diese Seite beschreibt kurz den Aufbau eines DCF-77-Empfängers zum Anschluß an die serielle Schnittstelle eines Rechners. Die Schaltung baut auf dem Empfangsmodul von ELV mit der Bestellnr. 68-352-62 auf. Dieses Empfangsmodul benötigt lediglich eine Versorgungsspannung zwischen 1.2V und 5V und liefert an einem Ausgang das beschriebene DCF-Rechtecksignal. Das Modul besitzt einen open collector Ausgang, der mit der fallenden Flanke des DCF-Signals gegen Masse geschlossen wird.

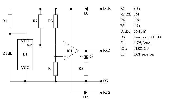
Das Ausgangssignal muß zur Verwendung an der seriellen Schnittstelle auf deren Pegel gebracht werden. Dazu wird der Operationsverstärker in IC1 verwendet. Der Ausgang des Empfangsmoduls wird mit R2 als Pull-Up-Widerstand "hochgezogen" und an den negativen Eingang des Operationsverstärkers angeschlossen. Der andere Eingang des Operationsverstärkers wird mit dem Spannungsteiler aus R3 und R4 auf eine feste, gegenüber SG positive Spannung eingestellt. Damit wechselt der Ausgang des Operationsverstärkers zwischen seinen beiden Versorgungsspannungen, und zwar zur positiven Versorgungsspannung, wenn der open collector Ausgang des Empfangsmoduls schließt, also bei der negativen Flanke des DCF-Signals. Die LED, deren Strom durch R5 begrenzt wird, leuchtet während der positiven Phase des DCF-Signals. Das umgekehrte Verhalten läßt sich natürlich leicht erreichen, indem man die LED entgegengesetzt der Abbildung einbaut.

D1 und D2 stellen lediglich einen Verpolungsschutz dar, falls durch Konfiguration der seriellen Schnittstelle DTR und RTS nicht die gewünschten Versorgungsspannungen liefern. Mit R1 und Z1 wird ein Spannungsteiler und Schutz für das Empfangsmodul realisiert.

Den Schaltplan, ein passendes Platinenlayout (im Maßstab 5:1) und den Bestückungsplan gibt's hier als Postscript. Das Platinenlayout ist spiegelverkehrt, so daß man es direkt auf eine Folie zum Belichten ausdrucken kann. Die bedruckte Folienseite muß dann zur Platine zeigen. Der Bestückungsplan zeigt die Platine von der Bauteileseite. Die eingezeichneten Leiterbahnen laufen auf der gegenüberliegenden Seite und sind natürlich bei dieser Sicht nicht auf der Platine zu sehen.

Die Stecker J3, J4 und J5 dienen zum Anschluß der LED, der seriellen Schnittstelle und des Empfangsmoduls. Die jumper J1 und J2 sind eingebaut worden, um die Schaltung auch an ein anderes, älteres Empfangsmodul anschließen zu können. Für das oben beschriebenen ELV-Empfangsmodul sind die jumper folgendermaßen zu setzen:

Für das alte Empfangsmodul wird kein Pull-Up-Widerstand benötigt und die Eingänge des Operationsverstärkers müssen vertauscht werden. Die jumper sind dann so zu stecken:

Hier gibt's noch ein paar Fotos: Vorderseite Rückseite Innenleben Innenleben (groß)